產品關鍵字:對夾脫硫專用蝶閥,脫硫專用蝶閥,脫硫蝶閥,蝶閥
蝶閥是用閥桿一起轉動的蝶板作啟閉件,用以實現閥門的開啟、關閉與調節。蝶閥在管路中除了起切斷和截流用外,近年來已經把密封性能作為評價的主要指標,受到市場青睞。另外,蝶閥還有體裁積小、重量輕、結構簡單等優點,與同參數閘閥比較,平均減輕重量達30~50%,蝶板旋轉90度即可實現啟、閉過程,又由于轉軸兩側蝶板受介質作用力近似相等,轉矩相反,因些啟閉力矩較小。
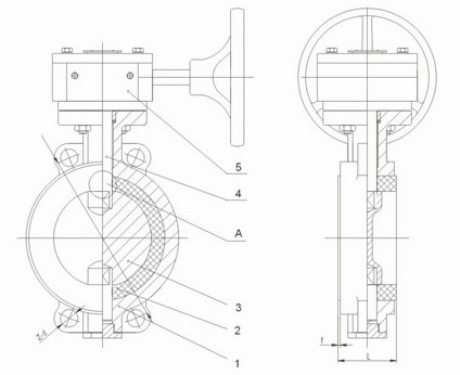
一、產品[對夾脫硫專用蝶閥 ]的詳細資料:
產品名稱:對夾脫硫專用蝶閥
產品特點:設計與制造:GB12238 結構長度:ISO5752-20系列規定 法蘭連接尺寸:HG20592-97
二、用途:
|
密封圈材料代號 |
適用溫度 |
適用介質 |
|
NR |
≤85℃ |
水、空氣、酸堿類 |
|
CR |
≤85℃ |
水、煤氣、酸堿類 |
|
NBR |
≤100℃ |
水、油品 |
|
EPDM |
≤120℃ |
水、蒸汽、一般酸堿類 |
|
FKM |
≤150℃ |
水、蒸汽、強酸堿類 |
三、材料:
|
閥體 |
鑄鐵、球墨鑄鐵、碳鋼、不銹鋼 |
|
蝶板 |
鑄鐵、球墨鑄鐵、碳鋼、不銹鋼、碳鋼完全包覆橡膠或氟塑料 |
|
閥桿 |
碳鋼鍍鎳磷、不銹鋼 |
|
閥座密封圈 |
天然膠NR、氯丁膠CR、丁腈膠NBR、三元乙丙膠EPDM、氟橡膠FKM |
|
手柄 |
鋁合金、碳鋼 |
壓力等級:PN(MPa) 1.0 1.6
四、測試:
襯里層:電火花檢測
試驗與檢驗按GB/T13927標準
公稱壓力:PN(MPa)
閥體:PN×1.5
密封:PN×1.1

中國.上玉集團有限公司是專業生產脫硫閥門的廠家,對夾脫硫專用蝶閥訂貨須知:
一、①對夾脫硫專用蝶閥產品名稱與型號②對夾脫硫專用蝶閥口徑③對夾脫硫專用蝶閥是否帶附件以便我們的為您正確選型。
二、若已經由設計單位選定的對夾脫硫專用蝶閥型號,請按對夾脫硫專用蝶閥型號直接向我公司銷售部訂購。
三、當使用的場合非常重要或環境比較復雜時,請您盡量提供設計圖紙和詳細參數,由我們上玉集團的專家為您審核把關。
感謝您訪問上玉集團公司網站,如有任何疑問您可以撥打我們的全國熱線電話:400-887-6587,我們一定會盡心盡力為您提供優質的服務。
| 可能發生的故障 | 原因 | 消除方法 |
| 密封面泄露 | 1、蝶板、密封面夾有雜物 2、蝶板、密封面關閉位置吻合不正 3、出口側配置裝法蘭螺栓受力不均或未按圖一要求 4、試壓方向未按圖一要求 |
1、消除雜質,清洗閥門內腔 2、調整蝸輪或電動執行機構的調節螺釘,以達閥門關閉位置正確 3、檢查配裝法蘭平面及螺栓壓緊國,應均勻壓緊 4、按尖頭密封方向進行施壓 |
| 閥門兩端面泄露 | 1、兩側密封墊片失效 2、管法蘭緊力不均或未壓緊 3、密封圈上、下封墊片失效 |
1、更換密封墊片 2、壓緊法蘭螺栓(均勻受力) 3、卸下閥門的壓圈,更換密封圈,失效墊片 |